Toutes les pièces détachées concernant le scooter BAOTIAN BT49QT-9
Trier par : Carter Kick
Pièce numéro: 11
Référence: QT9-08-11
Réservoir
Pièce numéro: 13 Référence: QT9-34-13
Pièces plastiques centrales
Pièces plastiques centrales
Pièces plastiques centrales
Pièce numéro: 17 Référence: QT9-30-17
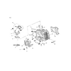
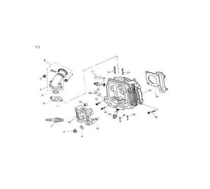
Culasse
Pièce numéro: 4
Référence: QT9-02-04
Carter Kick
Pièce numéro: 14
Référence: QT9-08-14
Démarreur
Pièce numéro: 2
Référence: QT9-11-02
Carburateur
Pièce numéro: 1
Référence: QT9-16-01