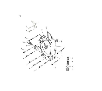
Carter Kick
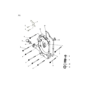
Carter Kick
-BAOTIAN BT49QT-9- Pour le choix des pièces veuillez vous référer aux numéros inscrits sur l'illustration ci-dessus.

2 produits

Grille 2
Liste
Liste 2
Catalogue